新能源汽车热管理系统从分散式到集成式,进而向智能化发展演进:
▪分散式热管理系统:结构简单但效率较低,电池、电机电控和空调系统回路彼此独立,虽然结构简单,但能量利用效率低,集成度也较低;
▪集成式热管理系统:通过多通道阀门或管路连接各个系统,通过利用多通道阀门或管路,将各个系统的回路连接起来,形成一个大的循环回路,提高了能量的利用效率;
▪智能化热管理系统:未来的发展趋势,实现热管理系统功能一体化、结构模块化、控制智能化,以达到整车能耗最低和能量最优分配。
新能源乘用车热泵系统搭载分析
目前在售新能源乘用车(EV&PHEV&REEV)共368款车型,包括纯电动(EV)乘用车车型240款,插电式混合动力(PHEV)乘用车车型106款,增程式混合动力乘用车车型22款。从车型的热泵搭载情况看,纯电动乘用车热泵车型占比达到47.5%,插电式混合动力乘用车热泵车型占比为6.6%,增程式混合动力乘用车热泵车型占比为4.5%。
2024年1-6月中国新能源乘用车热管理系统统计(按搭载车型数量)

来源:佐思汽研《2024年新能源汽车热管理系统行业研究报告》
2024年1-6月共销售新能源乘用车(EV&PHEV&REEV)468.9万辆,全系标配热泵系统的车型销量占比达到31.3%,中高配车型配置热泵系统销量占比6.4%,未装配热泵系统而使用PTC系统的车型销量占比为62.3%(其中,1.3%左右的车型可升级选装热泵)。
2024年1-6月中国新能源乘用车热管理系统统计(按车型终端销量)

来源:佐思汽研《2024年新能源汽车热管理系统行业研究报告》
从2024年1-6月中国纯电动(EV)乘用车(装载热泵车型)价格区间可以看出,20-25万区间车型销量达到58.6万辆,占纯电动乘用车总销量的37.6%;10-15万区间车型销售量排名第二,达到35.4万辆,占纯电动乘用车总销量的22.7%;15-20万区间车型销售量排名第三,销售量达到20.7万辆,占纯电动乘用车总销量的13.2%。
装载热泵系统的纯电动乘用车总体售价较2023年有所下降,主要是因为新能源乘用车厂商价格战,并伴随热管理系统国产化,系统成本持续降低。
2024年1-6月中国纯电动乘用车热泵系统装配量(分车型价格区间)

来源:佐思汽研《2024年新能源汽车热管理系统行业研究报告》
主机厂热管理系统采取多通阀+热泵+液冷方案
随着新能源汽车技术的不断发展,热管理系统也在持续创新和完善。例如,一些先进的热管理系统采用了更加智能化的控制策略,能够根据实际情况自动调整散热强度;同时,新材料和新技术的应用也提高了热管理系统的效率和可靠性。
主要OEM厂商热管理系统方案一览

来源:佐思汽研《2024年新能源汽车热管理系统行业研究报告》
理想汽车
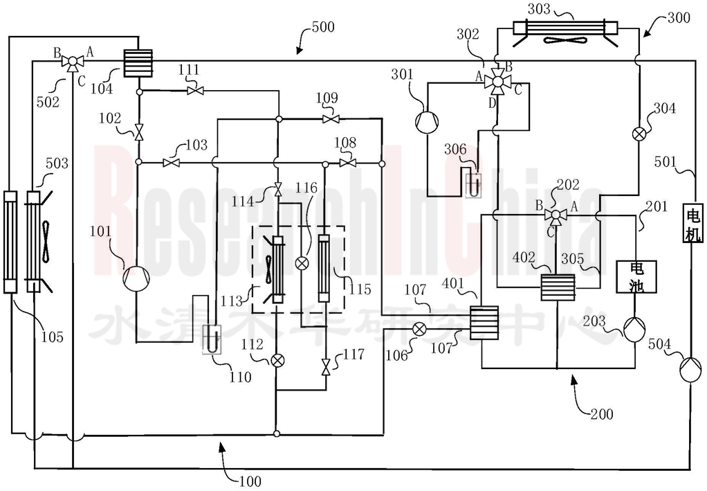
理想汽车热管理系统设计思路是多通阀+热泵+余热回收。热管理超级模块集成了阀体、泵、气分和换热器等16个主要功能部件,让系统零部件大幅减少,并实现物理零部件与电控分离。

来源:理想汽车热管理系统专利-四通阀结构
比亚迪“16合1”一体化热管理系统
e平台3.0架构下的基于BC系列热泵空调一体化热管理系统首先降低了能耗损失,不仅仅围绕驾驶舱和动力电池进行冷量与热量的交互,而是在域控制层面由BYD OS操作系统控制,将冷量直接送至刀片电池和驾驶舱,将热量从电驱动系统、驾驶舱和刀片电池三者间进行传递。
海狮07 EV匹配的“16合1”一体化热管理系统,可以为全车5个温度需求分系统提供高温制暖、高温散热、低温预热、余热回收以及低温制冷伺服。
比亚迪热管理系统演进历程

来源:佐思汽研《2024年新能源汽车热管理系统行业研究报告》
哪吒“浩智热控”——浩智平台一体化热管理系统
浩智热控主要强调了热泵空调技术,具有低能耗、宽温域、高集成的特征,制热功耗小于800W,冬季续航提升高达20%。此外,浩智热控系统工作温度低至零下35℃,热泵模式工作温度低至零下20℃。具备一体化集成模块、双源热泵、支持3C快充等特点。
▪浩智热控1.0搭载一体化集成模块,使用双源低温热泵,电池在半个小时内就可充满;
▪浩智热控2.0采用直接式热泵架构,运用压缩机热气旁通技术,并配备智能控制算法,电池能在15分钟内快速充满;
▪浩智热控3.0采用新型冷媒,将在集成度、效率和温区方面均做到行业领先。

来源:哪吒汽车
智能化热管理:集成控制器、传感器等创新解决方案层出不穷
热管理控制器-主流集成模块包括:水泵驱动、水阀驱动、电子膨胀阀驱动、电磁阀控制、传感器采集、网络通讯、电路自诊断、OBD诊断、硬件方面等。
以易鼎丰(EVPT)的热管理控制器(TMM)为例,采用NXP FS32K146作为主控芯片,总线频率为80 MHz,连接器为80 Pins (40+40),达到IP5K1防护等级,支持ISO26262 ASIL-B功能安全等级。
易鼎丰热管理控制器(TMM)的系统框图

来源:易鼎丰
在区域架构下,区域重新整合了整车电网架构,通讯架构以及控制器架构。面临热管理系统集成化趋势,独立的热管理控制器可将电子膨胀阀、水泵、水阀等核心部件的控制系统全部集成进热管理控制器(TMC),一方面大幅降低离散背板驱动的数量、节省系统成本,另一方面可以在应对热管理系统拓扑多样化架构的情况下尽量确保整车架构和区域控制模块的平台化。同时集成化的热管理控制器,也可大幅降低部件电控故障率,便于系统智能化及全生命周期的诊断维护。
区域架构集成热管理控制系统

来源:联合汽车电子
未来,新能源汽车集成化热管理系统面临的主要挑战包括温度控制不精准和能量浪费问题,为解决这些问题,需要进一步研究和开发更先进的温度压力传感技术,提高温度、压力监测的准确性和灵敏度。
MEMS传感器方面,在汽车中的应用范围不断扩大,汽车厂商需要把握时机,在短时间内建立行业合作伙伴关系,才能成功将这些新的传感器技术融入到汽车设计中。
新能源汽车MEMS传感器分类

来源:TDK
TDK温压一体化传感器
同时集成了温度与压力的测量功能,精度高、尺寸小、重量轻、响应时间快,并且安装方式多样,可应用于热管理系统与汽车电动压缩机等关键组件,实时监控热交换效率。

来源:TDK
Melexis MEMS数字输出压力传感器MLX90834
2024年9月,全球微电子工程公司Melexis宣布,推出专为电动汽车热管理等严苛汽车应用精心打造的MLX90834压力传感器芯片,进一步丰富其Triphibian™系列产品线。这款可靠的、经过出厂校准的MEMS解决方案,可在气体和液体介质中精确测量2至70bar的压力。其数字SENT输出可提供绝对压力、诊断和温度信息,助力系统实现更高的性能和可靠性。

来源:Melexis
可靠化是新能源汽车热管理系统发展的基础要求。随着新能源汽车市场的不断扩大,对于热管理系统的可靠性要求也越来越高。通过采用高品质的零部件和严格的制造工艺,以及进行充分的测试和验证,可以确保热管理系统的稳定性和可靠性,提高整车的市场竞争力。
01 新能源汽车热管理系统介绍及政策
1.1 新能源汽车热管理系统定义及分类
1.1.1 新能源汽车热管理系统定义
1.1.2 传统/新能源汽车热管理系统-结构
1.1.3 传统/新能源汽车热管理系统-空调系统
1.1.4 传统/新能源汽车热管理系统-发动机、变速箱及附属系统热管理
1.1.5 传统/新能源汽车热管理系统-三电系统热管理
1.1.6 新能源汽车热管理系统-主要零部件
1.1.7 新能源汽车热管理系统-产业链结构
1.2 新能源汽车热管理系统相关政策
1.2.1 全球主要国家新能源汽车优惠补贴政策(1)
1.2.2 全球主要国家新能源汽车优惠补贴政策(2)
1.2.3 全球主要车企新能源汽车禁售计划
1.2.4 国家新能源汽车热管理安全监管政策
1.2.5 新能源汽车热管理系统行业标准-空调系统
1.2.6 新能源汽车热管理系统行业标准-动力电池
1.2.7 新能源汽车热管理系统行业标准-其他关键部件
1.3 新能源汽车热管理系统发展趋势
1.3.1 中国新能源汽车热管理系统市场发展趋势
1.3.2 新能源汽车热管理系统趋势(1)
1.3.3 新能源汽车热管理系统趋势(2)
1.3.4 新能源汽车热管理系统趋势(3)
02 新能源汽车热管理市场现状及趋势
2.1 全球新能源汽车销量预测
2.1.1 全球新能源汽车政策和激励措施
2.1.2 全球新能源汽车十年销量预测
2.1.3 全球新能源汽车销量
2.1.4 全球新能源(EV+PHEV)乘用车销量
2.1.5 全球新能源(EV+PHEV)乘用车销量-分品牌
2.1.6 全球新能源(EV+PHEV)乘用车销量-分车型
2.2 中国新能源汽车销量/保有量
2.2.1 中国汽车销量
2.2.2 中国机动车/汽车保有量
2.2.3 中国新能源汽车整体产销量
2.2.4 中国新能源汽车整体产销量-分燃料类型
2.2.5 中国新能源乘用车销量
2.2.6 中国新能源商用车销量
2.3 中国汽车热管理系统市场规模
2.3.1 中国新能源汽车热管理系统市场规模
2.3.2 中国新能源汽车热管理系统渗透率
2.3.3 中国新能源汽车热管理系统市场规模预测
2.3.4 2024年在售车型热泵系统-搭载量分析
2.3.5 2024年在售车型热泵系统-销售量分析
2.3.6 2024年在售车型热泵系统-售价/销售分布
2.3.7 2024年在售车型热泵系统-搭载车型销售/售价列表(1)
2.3.8 2024年在售车型热泵系统-搭载车型销售/售价列表(2)
2.3.9 2024年在售车型热泵系统-搭载车型销售/售价列表(3)
2.3.10 2024年在售车型热泵系统-搭载车型销售/售价列表(4)
2.3.11 2024年在售车型热泵系统-搭载车型销售/售价列表(5)
2.4 新能源汽车热管理系统成本
2.4.1 新能源汽车热管理系统成本构成
2.4.2 新能源汽车热管理系统单车价值量较传统汽车提高约2-3倍
2.5 新能源汽车热管理系统竞争格局
2.5.1 新能源汽车热管理系统主要零部件
2.5.2 新能源汽车热管理供应商的主要产品及客户
2.5.3 各热管理系统企业的技术特点对比
2.6 新能源卡车热管理系统
2.6.1 新能源轻卡落地早于其他类型新能源商用车
2.6.2 商用车热管理系统发展滞后于乘用车
2.6.3 新能源轻卡热管理系统
2.6.4 新能源轻卡热管理系统架构发展趋势
2.6.5 新能源轻卡热管理-技术架构
2.6.6 新能源轻卡热管理典型车型:宇通T5纯电轻卡
2.6.7 新能源轻卡热管理典型车型:比亚迪T5型混动(纵置REEV)轻卡
2.6.8 新能源轻卡热管理-零部件供应商列表
2.6.9 新能源轻卡整车热管理系统案例
2.6.10 新能源轻卡热管理系统:电动压缩机
2.6.11 一汽解放混合动力重卡:热管理集成系统
2.7 燃料电池汽车热管理系统
2.7.1 燃料电池热管理系统-乘用车核心零部件
2.7.2 燃料电池热管理系统-商用车核心零部件
2.7.3 燃料电池热管理系统-结构图
2.7.4 燃料电池热管理系统-冷却控制策略
2.7.5 燃料电池汽车热管理系统-零部件供应商列表
2.7.6 燃料电池汽车热管理系统-最新专利
2.7.7 一汽解放燃料电池卡车:热管理集成系统
03 新能源汽车热管理产业链分析
3.1 新能源汽车整车热管理系统集成
3.1.1 新能源汽车热管理系统集成方案-发展趋势
3.1.2 新能源汽车热管理系统-零部件(1)
3.1.3 新能源汽车热管理系统-零部件(2)
3.1.4 热管理系统-系统集成结构
3.1.5 热管理系统-系统集成:核心供应商业务和产品进展(1)
3.1.6 热管理系统-系统集成:核心供应商业务和产品进展(2)
3.1.7 热管理系统-系统集成:核心供应商业务和产品进展(3)
3.1.8 热管理系统-系统集成:核心供应商业务和产品进展(4)
3.2 新能源汽车热管理系统-PTC加热器
3.2.1 新能源汽车PTC/热泵空调的发展趋势
3.2.2 PTC空气加热器的空调系统
3.2.3 PTC电加热器
3.2.4 PTC加热器分类及应用
3.2.5 PTC加热器典型产品对比
3.2.6 PTC加热器在热泵空调系统中应用案例(1)
3.2.7 PTC加热器在热泵空调系统中应用案例(2)
3.2.8 PTC加热器发展趋势及规模预测
3.2.9 热管理系统-PTC加热器:核心供应商业务和产品进展
3.2.10 热管理系统-800V加热器-核心供应商业务和产品进展
3.2.11 800V液体加热器-产品案例(1)
3.2.12 800V液体加热器-产品案例(2)
3.3 新能源汽车热管理系统-热泵空调
3.3.1 新能源汽车热泵空调-工作原理
3.3.2 新能源汽车热泵空调-结构
3.3.3 新能源汽车热泵空调-零部件
3.3.4 新能源汽车热泵空调-整车装配
3.3.5 新能源汽车热泵空调-三源热泵系统原理
3.3.6 热管理系统-热泵空调:核心供应商及业务进展(1)
3.3.7 热管理系统-热泵空调:核心供应商及业务进展(2)
3.3.8 热管理系统-热泵空调:核心供应商及业务进展(3)
3.3.9 热泵空调系统案例-海豚车热泵空调系统
3.3.10 热泵空调系统案例-特斯拉Octovalve高集成度八通阀热泵系统
3.3.11 热泵空调系统案例-大众MEB平台架构(1)
3.3.12 热泵空调系统案例-大众MEB平台架构(2)
3.4 新能源汽车热泵空调系统-制冷剂
3.4.1 热泵空调制冷剂-发展阶段
3.4.2 热泵空调制冷剂-环保性能
3.4.3 热泵空调制冷剂-热物性能/制热性能对比
3.4.4 热泵空调制冷剂-成本对比
3.4.5 CO2热泵制冷剂-核心组件
3.4.6 热管理系统-CO2制冷剂零部件:国内核心供应商业务和产品进展
3.4.7 热泵空调制冷剂-发展路线
3.4.8 热泵空调制冷剂-CO2技术路线发展
3.4.9 热泵空调制冷剂-CO2空调管路产品市场竞争格局
3.4.10 二氧化碳制冷(R744)技术前景(1)
3.4.11 二氧化碳制冷(R744)技术前景(2)
3.4.12 二氧化碳制冷(R744)技术前景(3)
3.4.13 热泵空调制冷剂-发展机遇
3.4.14 热泵空调制冷剂-发展挑战
3.5 新能源汽车热管理系统-电池热管理系统
3.5.1 动力电池热管理系统是新能源热管理系统的核心
3.5.2 动力电池热管理系统-风冷式
3.5.3 动力电池热管理系统-风冷式主要车型
3.5.4 动力电池热管理系统-液冷式
3.5.5 动力电池热管理系统-液冷式主要车型
3.5.6 动力电池热管理系统-液冷VS直冷式
3.5.7 动力电池热管理系统-直冷式
3.5.8 动力电池热管理系统-直冷式主要车型
3.5.9 电池热管理系统-PACK冷却方式总结
3.5.10 热管理系统-电池热管理:核心供应商业务和产品进展(1)
3.5.11 热管理系统-电池热管理:核心供应商业务和产品进展(2)
3.5.12 电池热管理系统散热架构
3.5.13 低温状态电池热管理方案
3.5.14 电池热管理系统受电池材质影响较大(1)
3.5.15 电池热管理系统受电池材质影响较大(2)
3.6 新能源汽车热管理系统-电动压缩机
3.6.1 新能源汽车电动压缩机发展现状
3.6.2 热管理系统-电动涡旋式压缩机:结构分析
3.6.3 热管理系统-电动涡旋式压缩机:技术评价指标
3.6.4 热管理系统-电动涡旋式压缩机:工作原理
3.6.5 新能源汽车电动压缩机-市场规模预测
3.6.6 热管理系统-电动涡旋式压缩机:市场竞争分析
3.6.7 热管理系统-电动涡旋式压缩机:核心供应商及业务进展(1)
3.6.8 热管理系统-电动涡旋式压缩机:核心供应商及业务进展(2)
3.6.9 热管理系统-电动涡旋式压缩机:核心供应商及业务进展(3)
3.6.10 热管理系统电动压缩机新晋企业
3.6.11 热管理系统电动压缩机-新产品技术路线(1)
3.6.12 热管理系统电动压缩机-新产品技术路线(2)
3.6.13 电动压缩机全新产品方案:上海爱卫蓝R744超低温热泵压缩机(1)
3.6.14 电动压缩机全新产品方案:上海爱卫蓝R744超低温热泵压缩机(2)
3.6.15 马勒热管理解决方案:高压PTC加热器、800V 57cc电动压缩机
3.7 新能源汽车热管理系统-电子膨胀阀
3.7.1 新能源汽车电子膨胀阀-产品结构
3.7.2 热管理系统-电子膨胀阀:核心供应商业务和产品进展(1)
3.7.3 热管理系统-电子膨胀阀:核心供应商业务和产品进展(2)
3.7.4 新能源汽车电子膨胀阀-产品案例
3.8 新能源汽车热管理系统-热泵集成阀
3.8.1 新能源汽车热泵集成阀-结构
3.8.2 新能源汽车热泵集成阀-四通阀
3.8.3 新能源汽车热管理系统-多通阀成为车企热泵系统主要发展方向
3.8.4 热管理系统-热泵多通阀:核心供应商业务和产品进展
3.8.5 新能源汽车热泵集成阀-比亚迪海豚热管理集成阀
3.8.6 新能源汽车热泵集成阀-特斯拉Octovalve八通阀
3.8.7 新能源汽车热泵集成阀-拓普九通阀
3.8.8 新能源汽车热泵集成阀-商用车热泵集成阀
3.9 新能源汽车热管理系统-电子水泵
3.9.1 新能源汽车电子泵
3.9.2 新能源汽车电子水泵-分类
3.9.3 新能源汽车电子水泵-结构设计
3.9.4 新能源汽车电子水泵-技术参数
3.9.5 新能源汽车电子水泵-市场规模预测
3.9.6 热管理系统-电子水泵:核心供应商业务和产品进展(1)
3.9.7 热管理系统-电子水泵:核心供应商业务和产品进展(2)
3.9.8 热管理系统-电子水泵:核心供应商业务和产品进展(3)
3.9.9 新能源汽车电子水泵-智能水泵案例
3.10 新能源汽车热管理系统-电子风扇
3.10.1 新能源汽车电子风扇-产品结构
3.10.2 热管理系统-电子风扇:核心供应商业务和产品进展(1)
3.10.3 热管理系统-电子风扇:核心供应商业务和产品进展(2)
3.10.4 新能源汽车高压电子风扇-产品案例
3.11 新能源汽车热管理系统-管路
3.11.1 新能源汽车热管理系统-管路发展现状
3.11.2 新能源汽车热管理系统-管路材料分类
3.11.3 新能源汽车热管理系统-尼龙类冷却液管路
3.11.4 新能源汽车热管理系统-冷却水管材料
3.11.5 新能源汽车热管理系统-冷却水管性能对比
3.11.6 热管理系统-管路:核心供应商业务和产品进展(1)
3.11.7 热管理系统-管路:核心供应商业务和产品进展(2)
3.11.8 热管理系统-管路:核心供应商业务和产品进展(3)
3.11.9 热管理系统-管路:新产品技术路线
3.12 新能源汽车热管理系统-热管理控制器
3.12.1 新能源汽车热管理控制器
3.12.2 热管理系统功能模块(1)
3.12.3 热管理系统功能模块(2)
3.12.4 新能源汽车热管理控制器-纯电动汽车
3.12.5 新能源汽车热管理控制器-插电式混合动力汽车
3.12.6 新能源汽车热管理控制器-功能模块
3.12.7 新能源汽车热管理控制器-硬件需求
3.12.8 新能源汽车热管理控制器-区域框架下的集成化
3.12.9 新能源汽车热管理控制器-MCU电路(1)
3.12.10 新能源汽车热管理控制器-MCU电路(2)
3.12.11 新能源汽车热管理控制器-MCU电路(3)
3.12.12 新能源汽车热管理控制器-热管理控制系统案例
3.12.13 热管理系统-热管理控制器:核心供应商业务和产品进展
3.12.14 新能源汽车热管理控制器-供应商案例
3.12.15 新能源汽车热管理控制器-整车案例
3.12.16 新能源汽车热管理控制器-发展趋势
3.13 新能源汽车热管理系统-智能压力温度传感器
3.13.1 新能源汽车压力/温度传感器
3.13.2 智能化压力/温度传感器:核心供应商业务和产品进展(1)
3.13.3 智能化压力/温度传感器:核心供应商业务和产品进展(2)
3.13.4 新能源汽车压力/温度传感器-供应商案例
04 新能源汽车热管理系统供应商
4.1 日本电装
4.1.1 日本电装-企业介绍
4.1.2 日本电装-汽车热管理系统产品(1)
4.1.3 日本电装-汽车热管理系统产品(2)
4.1.4 日本电装-汽车热管理系统产品(3)
4.1.5 日本电装-汽车热管理系统产品(4)
4.1.6 日本电装-汽车热管理解决方案
4.1.7 日本电装-热泵系统
4.1.8 日本电装-热泵系统技术介绍
4.1.9 日本电装-热泵系统装配案例
4.1.10 日本电装-热泵系统发展阶段
4.2 马勒(MAHLE)
4.2.1 马勒-企业介绍
4.2.2 马勒-主营业务
4.2.3 马勒-汽车热管理系统
4.2.4 马勒-马勒集成式热管理系统
..............
4.2.17 马勒-全球布局
4.2.18 马勒-中国布局
4.2.19 马勒-苏州马勒:DTS(直接式)热管理系统
4.3 法雷奥( Valeo )
4.3.1 法雷奥-企业介绍
4.3.2 法雷奥-热泵技术
4.3.3 法雷奥-FlexHeaters
4.3.4 法雷奥-电池热管理系统
4.3.5 法雷奥-快充条件下的热管理系统
4.4 翰昂(Hanon)
4.4.1 翰昂-企业介绍
4.4.2 翰昂-热泵系统
4.4.3 翰昂-汽车热管理产品:暖通空调
4.4.4 翰昂-汽车热管理产品:压缩机
4.4.5 翰昂-汽车热管理产品:其他
4.4.6 翰昂-新能源汽车热管理系统:电动汽车/混合动力汽车
4.4.7 翰昂-新能源汽车热管理系统:燃料电池汽车
4.5 日本三电
4.5.1 日本三电-企业介绍
4.5.2 日本三电-热管理系统趋势
..............
4.5.7 日本三电-CO2 压缩机
4.5.8 日本三电-汽车热管理系统其它零部件(1)
4.5.9 日本三电-汽车热管理系统其它零部件(2)
4.5.10 日本三电-业务分布
4.6 德国大陆
4.6.1 德国大陆-热管理系统分类
4.6.2 德国大陆-热管理整车系统级优化策略
4.6.3 大陆集团-电池热管理技术
4.6.4 德国大陆-新能源汽车热管理系统生产基地
4.7 奥特佳
4.7.1 奥特佳-公司简介
4.7.2 奥特佳-电动汽车空调压缩机产品
4.7.3 奥特佳-电动汽车空调压缩机产品参数
4.7.4 奥特佳-汽车空调系统
4.7.5 奥特佳-低温热泵系统
4.7.6 奥特佳-热管理系统产销量
4.7.7 奥特佳-新能源汽车热管理系统主要客户
4.8 银轮股份
4.8.1 银轮股份-公司简介
4.8.2 银轮股份-汽车热管理业务
4.8.3 银轮股份-汽车热管理产品
..............
4.8.9 银轮股份-新能源商用车热管理系统
4.8.10 银轮股份-新兴热管理领域
4.8.11 银轮股份-全球布局
4.9 三花智控
4.9.1 三花智控-公司简介
4.9.2 三花智控-新能源汽车热管理系统产品产能、产量及分类
4.9.3 三花智控-汽车电子膨胀阀(1)
4.9.4 三花智控-汽车电子膨胀阀(2)
4.9.5 三花智控-汽车电子水泵
4.9.6 三花智控-汽车热管理其他产品
4.9.7 三花智控-汽车零部件新增项目
4.9.8 三花智控-业务范围
4.10 松芝股份
4.10.1 松芝股份-公司简介
4.10.2 松芝股份-新能源汽车热管理产品产销量
4.10.3 松芝股份-小车热管理业务板块相关产品
..............
4.10.10 松芝股份-储能系统热管理系统研发趋势
4.10.11 松芝股份-整车合作伙伴
4.11 华域汽车
4.11.1 华域汽车-公司简介
4.11.2 华域汽车-热管理系统
4.11.3 华域汽车-新能源汽车热管理系统分类及供货量
..............
4.11.10 上海马勒-电空调与热管理系统主要客户
4.11.11 上海马勒-电空调与热管理系统公司布局
4.11.12 华域汽车-其他热管理系统零部件
4.12 腾龙股份
4.12.1 腾龙股份-公司简介
4.12.2 腾龙股份-汽车热管理系统业务模式
4.12.3 腾龙股份-汽车热管理系统产品
4.12.4 腾龙股份-主要客户
4.12.5 腾龙股份-研发中心、生产基地
4.13 飞龙股份
4.13.1 飞龙股份-公司简介
4.13.2 飞龙股份-电子水泵产品
4.13.3 飞龙股份-热管理集成模块
4.13.4 飞龙股份-新能源主要客户
4.14 克来机电
4.14.1 克来机电-公司简介
4.14.2 克来机电-新能源汽车零部件业务模式
4.14.3 克来机电-冷却水管
4.14.4 克来机电-R744高压空调管路及阀类零件
4.14.5 克来机电-主要客户和技术
4.15 盾安环境
4.15.1 盾安环境-公司简介
4.15.2 盾安环境-新能源汽车热管理业务
4.15.3 盾安环境-新能源汽车热管理产品(1)
4.15.4 盾安环境-新能源汽车热管理产品(2)
4.15.5 盾安环境-新能源汽车热管理产品(3)
4.15.6 盾安环境-新能源汽车热管理机组
4.15.7 盾安环境-大口径电子膨胀阀
4.15.8 盾安环境-热管理研发趋势
4.16 美的威灵汽车
4.16.1 美的威灵汽车-业务发展路线
4.16.2 美的威灵汽车-热管理系统产品
4.16.3 美的威灵汽车-热管理集成模组(大集成)
4.16.4 美的威灵汽车-A00电动压缩机(创新转子式)
4.16.5 美的威灵汽车-800V碳化硅(SiC)高转速电动压缩机
4.16.6 美的威灵汽车-R134a涡旋电动压缩机、CO2冷媒电动压缩机
4.16.7 美的威灵汽车-电子水泵、电子油泵
4.16.8 美的威灵汽车-生产基地和客户
4.17 八菱科技
4.17.1 八菱科技-公司简介
4.17.2 八菱科技-新能源汽车热管理系统产品
4.17.3 八菱科技-新能源汽车热管理系统产能
4.17.4 八菱科技-新能源汽车热管理系统研发项目
4.17.5 八菱科技-新能源汽车热管理系统主要客户
4.18 华为
4.18.1 华为-热管理解决方案TMS:外观结构
4.18.2 华为-热管理解决方案TMS:集成设计
4.18.3 华为-热管理解决方案相关专利
4.18.4 华为-热管理解决方案设计思路
4.19 中鼎股份
4.19.1 中鼎股份-公司简介
4.19.2 中鼎股份-新能源热管理系统管路产品
4.19.3 中鼎股份-电池冷却系统管路
4.19.4 中鼎股份-密封系统
4.19.5 中鼎股份-新能源热管理系统管路核心技术
4.19.6 中鼎股份-全球布局
4.20 森萨塔科技
4.20.1 森萨塔科技-中国发展
4.20.2 森萨塔科技-新能源汽车产品
..............
4.20.7 森萨塔科技-汽车用电安全监测设备
4.21 联合电子
4.21.1 联合电子-新能源热管理系统
4.22 朗信电气
4.22.1 朗信电气-新能源热管理客户
4.22.2 朗信电气-热管理系统产品
4.22.3 朗信电气-热管理系统应用领域
05 OEM主机厂热管理系统方案
5.1 特斯拉
5.1.1 特斯拉-汽车热管理系统发展阶段
5.1.2 特斯拉-热管理系统技术路线
5.1.3 特斯拉-热管理系统专利
..............
5.1.14 特斯拉-Model Y 八通阀热泵方案(1)
5.1.15 特斯拉-Model Y 八通阀热泵方案(2)
5.1.16 特斯拉-四代热管理系统模式总结
5.2 比亚迪
5.2.1 比亚迪-新能源汽车热管理介绍
5.2.2 比亚迪-汽车热管理系统发展阶段
5.2.3 比亚迪-比亚迪E3.0宽温域高效热泵系统(1)
5.2.4 比亚迪-比亚迪E3.0宽温域高效热泵系统(2)
..............
5.2.15 比亚迪-海豹热管理系统(1)
5.2.16 比亚迪-海豹热管理系统(2)
5.2.17 比亚迪-仰望U8、方程豹豹5整车一体化热管系统
5.2.18 比亚迪-海狮07 EV“16合1”一体化热管理技术
5.3 蔚来汽车
5.3.1 蔚来-汽车热管理系统发展阶段
5.3.2 蔚来-ET7热管理系统
5.3.3 蔚来-ES6热管理系统
5.3.4 蔚来-ES8热管理系统
5.3.5 蔚来-热管理系统专利
5.4 理想汽车
5.4.1 理想-汽车热管理系统发展阶段
5.4.2 理想-理想MEGA热管理系统
5.4.3 理想-理想L9热管理系统供应商
5.4.4 理想-800V宽温域的热管理系统
5.4.5 理想-四通阀热管理系统方案
5.4.6 理想-热管理系统相关专利
5.5 小鹏汽车
5.5.1 小鹏-汽车热管理系统发展阶段
5.5.2 小鹏-X-HP2.0智能热管理系统
5.5.3 小鹏-X-HP智能热管理系统
5.5.4 小鹏-P7i整车热管理方案(十通阀集成热泵)
5.5.5 小鹏-小鹏X9热管理系统
5.5.6 小鹏-P7整车热管理方案( PTC电加热方案)
5.5.7 小鹏-P7整车热管理方案(主要零部件供应商)
5.5.8 小鹏-P7电池热管理系统
5.5.9 小鹏-整车热管理技术专利
5.6 小米汽车
5.6.1 小米汽车-小米SU7热管理系统
5.6.2 小米汽车-三热源逐级加热技术
5.6.3 小米汽车-电池热管理
5.6.4 小米汽车-十通阀全车热管理系统
5.6.5 小米汽车-热管理系统布局
5.6.6 小米汽车-热管理系统专利
5.7 哪吒汽车
5.7.1 哪吒-汽车热管理系统发展阶段
5.7.2 哪吒-HozonEPT2.0恒温热管理系统
..............
5.7.11 哪吒-浩智热控2.0-3.0
5.7.12 哪吒-哪吒S华为九通阀热泵
5.7.13 哪吒-热管理系统相关专利
5.8 零跑汽车
5.8.1 零跑-汽车热管理系统发展阶段
5.8.2 零跑-零跑C11増程整车热管理控制系统
5.8.3 零跑-PITM预判式智能热管理技术
5.8.4 零跑-MTC底盘一体化技术
5.8.5 零跑-CTC电池底盘一体化技术
5.8.6 零跑-零跑C16集成式热管理系统电池包
5.8.7 零跑-热管理系统相关专利
5.9 广汽埃安
5.9.1 广汽埃安-汽车热管理系统发展阶段
5.9.2 广汽埃安-AION LX热管理系统
5.9.3 广汽埃安-AION S热管理系统
5.9.4 广汽埃安-弹匣电池2.0热管理
5.9.5 广汽埃安-第二代ITS2.0 智能温控系统
5.10 上汽集团
5.10.1 上汽-汽车热管理系统发展阶段
5.10.2 上汽-飞凡F7电池热管理系统
5.10.3 上汽-MARVEL R热管理系统
5.10.4 上汽-荣威RX5 eMAX热管理系统
5.10.5 上汽-上汽荣威热管理系统(1)
5.10.6 上汽-上汽荣威热管理系统(2)
5.10.7 上汽-上汽DMH超级混动热管理系统
5.11 吉利汽车
5.11.1 吉利-汽车热管理系统发展阶段
5.11.2 吉利-领克ZERO直接式热泵系统(1)
..............
5.11.9 吉利-银河L7热管理系统
5.11.10 吉利-新能源热管理战略
5.12 东风集团
5.12.1 东风集团-汽车热管理系统发展阶段
5.12.2 东风集团-东风量子架构全栈自研高集成热管理系统
5.12.3 东风集团-800V+一体化热管理系统
5.13 大众汽车
5.13.1 大众-汽车热管理系统发展阶段
5.13.2 大众汽车-热泵系统
5.13.3 大众汽车-热泵系统组成:AC Compressor
5.13.4 大众汽车-热泵系统组成:Valve Unit 总成(1)
..............
5.13.15 大众汽车-大众Golf GTE高尔夫插电混动版热管理系统(2)
5.14 奥迪
5.14.1 奥迪-汽车热管理系统发展阶段
5.14.2 奥迪-冬季电动汽车热管理系统(1)
5.14.3 奥迪-冬季电动汽车热管理系统(2)
..............
5.14.15 奥迪-e-tron热管理系统工作模式
5.14.16 奥迪-R8 e-tron纯电动版热管理系统
5.15 宝马
5.15.1 宝马-汽车热管理系统发展阶段
5.15.2 宝马-i4 EV热管理系统
5.15.3 宝马-iX3 EV热管理系统
5.15.4 宝马-i3 EV热管理系统
..............
5.15.10 宝马X5/BMW i8电池包热管理系统-R134a直冷
5.15.11 宝马曲轴箱冷却液截止阀的热量管理模块
5.16 上汽通用
5.16.1 上汽通用-汽车热管理系统发展阶段
5.16.2 上汽通用-奥特能新能源汽车热管理系统
5.16.3 上汽通用-电池热管理系统
5.17 现代汽车
5.17.1 现代起亚-汽车热管理系统发展阶段
5.17.2 现代起亚-热管理集成模块(1)
5.17.3 现代起亚-热管理集成模块(2)
5.17.4 现代起亚-热管理集成模块(3)
5.17.5 现代起亚-现代科纳(ENQINO) EV热管理系统(1)
5.17.6 现代起亚-现代科纳(ENQINO) EV热管理系统(2)
5.17.7 现代起亚-现代IONIQ 5N热管理系统
5.18 丰田汽车
5.18.1 丰田-五通阀全车热管理系统
5.18.2 丰田-电池热管理系统
5.18.3 丰田-燃料电池汽车热管理
5.19 主要OEM厂商热管理系统方案汇总
5.19.1 主要OEM厂商热管理系统方案一览(1)
5.19.2 主要OEM厂商热管理系统方案一览(2)
5.19.3 主要OEM厂商热管理系统方案一览(3)
5.19.4 主要OEM厂商热管理系统方案一览(4)
5.19.5 车厂重点车型热管理系统供应商列表(1)
5.19.6 车厂重点车型热管理系统供应商列表(2)
5.19.7 车厂重点车型热管理系统供应商列表(3)
5.19.8 车厂重点车型热管理系统供应商列表(4)
5.19.9 车厂重点车型热管理系统供应商列表(5)
5.19.10 车厂重点车型热管理系统供应商列表(6)