800V+架构车型销量将增长超10倍,拉动SiC/GaN功率芯片上车
第三代半导体例如碳化硅(SiC)、氮化镓(GaN)等宽禁带材料制造的半导体,因具有更宽的禁带宽度、更高的击穿电场、更高的热导率、更大的电子饱和速度以及更高的抗辐射能力,更适合制作高温、高频、抗辐射及大功率器件,是新能源汽车领域功率半导体性能升级的主要选择。
•SiC功率器件具备耐高压、低损耗和高频三大优势,可以满足高温、高压、大功率等条件下的应用需求,广泛应用于主驱逆变器、车载充电器(OBC)、DC/DC转换器等关键部件,更是高压架构的最佳拍档。随着800V高压平台成为主流配置、成本持续下降,SiC将从主驱逆变器向车载压缩机、主动悬架等领域全面拓展。
•GaN功率器件具备高开关频率、耐高温、低损耗等优势,可用于制作功率、射频、光电器件。由于GaN比SiC具有更高的电子迁移率,因而GaN的优势在于可将开关频率做得更高,但其功率段覆盖并不是特别宽,同时其漏源导通电阻受温度影响大,故而在大电流和高温场景下面临性能劣势。目前在汽车领域GaN在OBC、DC-DC转换器等领域已有所进展。
根据佐思汽研数据库统计,2022年中国800-1000V高压架构乘用车数量仅13款,2024年中国800-1000V高压架构在售乘用车数量超过47款,截止到2025年上半年,中国800V高压架构在售乘用车数量达到70款。中国800V高压架构在售乘用车从保时捷、奔驰等豪华品牌,延伸到蔚来、小鹏、极氪等中端品牌,再到比亚迪、零跑等15-20万元价位段车型。
2024年中国800-1000V高压架构乘用车销量达73.9万辆,占中国新能源乘用车总销量的6.9%;预计2025年800-1000V高压架构渗透率将达到10.9%,销量可达149.5万辆;2030年渗透率将超过35%,出货量超过745万辆,达2024年销量规模的10倍以上。
未来将出现更多的全SiC BEV,并采用800V高压架构。在这种架构下,包括空调压缩机(3-10kW)、电池包、逆变器(5-600kW)、DC充电桩、DC/DC转换器(1-5kW)以及OBC(3-30kW)等关键部件都将采用SiC器件。在技术驱动下,2024年中国乘用车SiC/GaN功率芯片(车规、充电设备等)需求量为0.73亿颗,预计2025年可达1.46亿颗,同比增长98.6%,到2030年中国乘用车SiC/GaN功率芯片需求量将达6.08亿颗,行业迎来高速发展期。
中国乘用车市场SiC/GaN功率芯片需求预测

来源:佐思汽研《2025年车规级功率半导体和模组(SiC、GaN)行业研究报告》
在800V高压平台实现大规模装车的同时,比亚迪正陆续将旗下车型的电压等级提升至1000V平台,车载SiC功率器件的耐压等级也相应提高到1500V-1700V。

来源:佐思汽研《2025年车规级功率半导体和模组(SiC、GaN)行业研究报告》
比亚迪已率先发布了其全新一代车规级1500V大功率SiC功率芯片,搭载超级e平台,电控效率达99.7%,成本较进口降低40%。
•采用叠层激光焊技术,通过优化芯片互联结构,成功将杂散电感降低75%,相比传统封装可以降低30%动态损耗;
•峰值电流可达1000A,过流能力增强10%;
•支持高达1000kW的充电功率,较行业主流的600kW快充技术提升了近70%;
•采用纳米银烧结技术,使连接层热阻降低95%,可靠性寿命提升5倍以上;
•结合Cuclipbonding工艺与氮化硅AMB基板,芯片体积缩小50%,功率密度翻倍。
这是行业首次量产应用的、最高电压等级的车规级SiC功率芯片,首搭车型覆盖汉L EV、唐L EV、仰望U7、腾势N9。

来源:比亚迪
东风奕派则计划在下一代超1000V平台上采用1700V SiC电源模块。该模块产品已于2025年6月正式下线,开关损耗锐减60%,通过第二代SiC芯片技术优化栅极驱动设计(支持+15~+18V驱动电压)和低寄生电感封装(≤10nH),显著降低Eon/Eoff损耗。对比传统IGBT,系统效率从96%跃升至99%,仅效率提升即可为整车续航延长3%以上。

来源:网络
SiC功率器件持续引入新封装技术以提高效率,混碳功率模块(SiC+IGBT)正快速上车
SiC功率器件持续引入新技术以提高效率,例如嵌入式封装技术、三电平拓扑结构等,不少主机厂和Tier1都推出相应的解决方案。
•嵌入式封装技术:通过将高压功率芯片直接嵌入PCB板(如SiC、GaN芯片),替代传统分立式功率模块,可实现电驱控制器的高密度集成与性能跃升。同样的出流要求,可使半导体的用量比框架式模块减少20%-30%。在WLTC循环损耗对比中,相较于800V SiC框架式封装,800V SiC嵌入式封装的能量损耗减少约60%,开关损耗和导通损耗降低。而且在相同温度条件下,嵌入式功率模块的寿命是框架式封装的数倍。
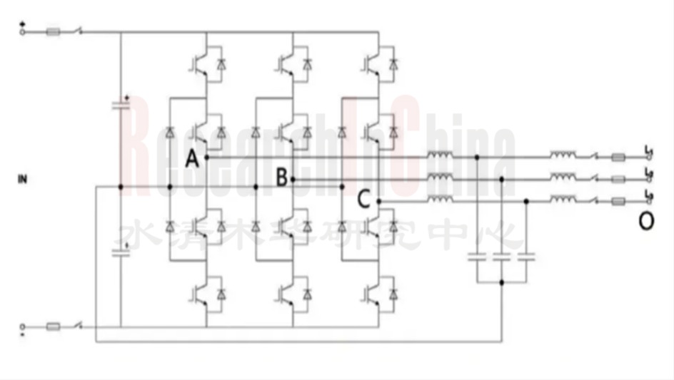
•三电平拓扑结构:三电平的逆变电路可以通过上、下管的开通输出高、低电平,通过中间二极管的钳位作用输出零电平,总共三个电平状态,因此被称为三电平逆变电路。相比两电平方案,三电平方案的波形质量好,杂音小;开关损耗降低约75%,器件发热少,寿命更长;纹波电流小,减少设备振动和发热,运行更稳;滤波器设计更灵活,电感和电容值可以减小,体积和重量下降30%-50%;动态响应快。

来源:网络
广汽集团全新星源增程平台技术应用广汽夸克电驱2.0,搭载嵌入式功率模块,体积减小80%,电控最高效率达99.9%,在1000V高压平台下驱动电机功率密度达17.29kW/kg,电驱系统CLTC工况效率高达93%。

来源:广汽集团
采埃孚亚太区研发团队自主研发的芯片内嵌式逆变器(Chip Inlay Power Board,CIPB),就是通过将功率芯片嵌入PCB,将杂散电感降低,将体积功率密度做高,实现逆变器的极致性能。同时,该技术可实现紧凑型轻量化设计,不仅兼容市场标准的晶圆或裸片,还可自由调节半导体类型、芯片、数量和尺寸。

来源:采埃孚
吉利汽车最新推出的雷霆11合1混动系统,首次采用混碳电控,将IGBT与SiC TPAK单管混合封装,形成混碳电控方案。IGBT擅长中低频场景下的稳定输出,而SiC则在高压高频环境下效率更优,两者的协同可使功率控制模块效率突破99%。
其中,混碳模块采用三电平SiC高效技术,拥有塑封模块和T-pak单管两种封装形式。同时,SiC无级升压模块通过全域电压寻优,能在电池电量低于20%时仍维持系统电压稳定。

来源:网络
混碳功率模块(SiC+IGBT)有助于平衡性能和成本,正快速量产上车,SiC和Si基功率电子器件可以在不同层级混合使用,以在性能和成本之间取得平衡:
•在采用分立器件构建的逆变器中,可以灵活地混合并联SiC和Si器件,甚至可以在模块层面或器件层面(裸芯片)混合使用SiC和Si。
•在配备多个电机的BEV中,主电机逆变器可以采用SiC,而辅助电机则可以采用Si。对于两相或开绕组电机,其两个功率模块可以都采用SiC或都采用Si,或者两者混合使用。

来源:佐思汽研《2025年车规级功率半导体和模组(SiC、GaN)行业研究报告》
小鹏汽车的新一代混合碳化硅同轴电驱技术,通过优化SiC与硅基器件的混合应用,平衡了成本与性能,已应用于新款G9等车型。
•电驱系统CLTC效率高达93.5%;
•在碳化硅芯片用量减少60%的同时,输出功率提升10%;
•采用同轴电机布局和紧凑型设计,电驱系统体积减少30%、重量降低7.5%;
•该电驱技术基于全域800V碳化硅平台,可与5C超充AI电池协同工作。

来源:小鹏
GaN器件进入车载OBC领域,未来将持续探索潜在增长空间
截至目前,包括特斯拉、长安汽车、马自达、吉利威睿等车企,及汇川联合动力、联合汽车电子、阳光电动力等Tier1厂商已率先在OBC领域导入GaN方案。另从GaN供应商层面来看,英诺赛科、英飞凌、纳微半导体等正围绕汽车电子推出相关产品。

来源:佐思汽研《2025年车规级功率半导体和模组(SiC、GaN)行业研究报告》
汇川联合动力新一代6.6kW GaN车载二合一电源产品,将车载充电器与车载直流变换器集成,采用GaN功率器件,达到了业内领先的96%充电效率和4.8kW/L整机功率密度。对比传统Si/SiC方案,功率密度提升30%,达4.8kW/L,OBC满载平均效率超过96%,DC/DC工况效率高达97.09%@700W,相较于传统Si/SiC方案,重量减少20%。
该产品适用于电池电压范围在200V至500V的车型,其对功率回路做了优化,优化了高频大功率PCB布线技术,降低高速开关带来的干扰与损耗。通过级联/并联变换器磁性元件整体集成设计,系统性优化体积与损耗。散热方面是采用一体型材设计的水道结构,增大散热面积,降低热阻,同时减小体积与重量。

来源:汇川联合动力
除车载OBC外,GaN芯片所具备的窄脉冲、大峰值电流、高效的性能,能够达到更长的探测距离,并降低功率损耗和温升,更好地满足车载激光雷达系统所需。此外,GaN在DC-DC转换器的应用正在扩展。GaN器件正逐步渗透进入新能源汽车领域,其潜在增长空间同样不容忽视。
01 功率半导体概述
1.1 功率半导体定义与分类
功率半导体的定义
功率半导体分类
功率半导体材料形式
功率半导体材料形式:碳化硅(SiC)
功率半导体材料形式:氮化镓(GaN)(1)
功率半导体材料形式:氮化镓(GaN)(2)
功率半导体材料形式:氮化镓(GaN)(3)
功率半导体材料形式:GaN VS SiC(1)
功率半导体材料形式:GaN VS SiC(2)
功率半导体材料形式:第三代半导体材料将长期共存
1.2 功率半导体车载应用场景
功率半导体的车载应用
功率半导体的车载应用:SiC/GaN功率器件主要应用于三电系统
功率半导体的车载应用:GaN功率器件在车载领域的发展进程(1)
功率半导体的车载应用:GaN功率器件在车载领域的发展进程(2)
功率半导体的车载应用:GaN功率器件在车载领域的发展进程(3)
功率半导体的车载应用:GaN功率器件的潜在应用领域
1.3 第三代半导体:车规级SiC功率器件产业和市场分析
车规级SiC功率器件:高压架构的最佳搭档
车规级SiC功率器件:800-1000V碳化硅技术优势
车规级SiC功率器件:碳化硅产业链
车规级SiC功率器件:碳化硅供应链
车规级SiC功率器件:碳化硅供应链,SiC衬底与外延技术
车规级SiC功率器件:碳化硅供应链,SiC衬底发展趋势
车规级SiC功率器件:碳化硅供应链,SiC衬底市场价格
车规级SiC功率器件:碳化硅供应链,主流SiC衬底厂商
车规级SiC功率器件:碳化硅供应链,外延成本与价格
车规级SiC功率器件:碳化硅供应链,外延产能布局
车规级SiC功率器件:碳化硅供应链,封装技术(1)
车规级SiC功率器件:碳化硅供应链,封装技术(2)
车规级SiC功率器件:碳化硅供应链,封装技术(3)
车规级SiC功率器件:碳化硅供应链,封装技术(4)
车规级SiC功率器件:800-1000V 功率器件封装案例
车规级SiC功率器件:全球供应商竞争格局
车规级SiC功率器件:全球SiC碳化硅功率器件产业格局
车规级SiC功率器件:新能源汽车主要应用导电型碳化硅功率器件
车规级SiC功率器件:SiC在800-1000V车型应用技术方案
车规级SiC功率器件:SiC装配800-1000V 车型列表
车规级SiC功率器件:SiC在新能源800-1000V 乘用车中发展趋势
车规级SiC功率器件:1200-1500V SiC功率器件装配车型列表
车规级SiC功率器件:新能源乘用车SiC功率器件竞争布局
车规级SiC功率器件:650-1500V SiC 功率芯片
车规级SiC功率器件:650-1500V SiC 功率模组
车规级SiC功率器件:2025-2030年技术发展趋势
全球SiC功率器件的市场规模及其预测,2020-2030E
中国乘用车SiC功率器件核心应用场景
中国乘用车车规SiC芯片市场规模汇总,2022-2030E
1.4 第三代半导体:车规级GaN功率器件产业和市场分析
车规级GaN功率器件:800-1000V高压架构应用
车规级GaN功率器件:氮化镓供应链,SiC与GaN的工艺技术差异
车规级GaN功率器件:氮化镓供应链,GaN外延衬底材料
车规级GaN功率器件:氮化镓供应链,GaN外延衬底材料以金刚石为基础的新技术(1)
车规级GaN功率器件:氮化镓供应链,GaN外延衬底材料以金刚石为基础的新技术(2)
车规级GaN功率器件:氮化镓供应链,GaN外延衬底材料以金刚石为基础的新技术(3)
车规级GaN功率器件:氮化镓供应链,GaN主流封装技术,分立器件的封装形式(1)
车规级GaN功率器件:氮化镓供应链,GaN主流封装技术,分立器件的封装形式(2)
车规级GaN功率器件:氮化镓供应链,GaN主流封装技术,合封器件的封装形式(1)
车规级GaN功率器件:氮化镓供应链,GaN主流封装技术,合封器件的封装形式(2)
车规级GaN功率器件:氮化镓供应链,GaN主流封装技术对比
车规级GaN功率器件:氮化镓供应链,GaN先进封装技术(1),电气性能优化
车规级GaN功率器件:氮化镓供应链,GaN先进封装技术(2),热管理结构创新
车规级GaN功率器件:氮化镓供应链,GaN先进封装技术(3),集成化封装
车规级GaN功率器件:氮化镓供应链,GaN先进封装技术(4),应力优化设计
车规级GaN功率器件:氮化镓供应链,器件成本对比
车规级GaN功率器件:主要供应商及技术路线(1)
车规级GaN功率器件:主要供应商及技术路线(2)
车规级GaN功率器件:主要供应商及技术路线(3)
车规级GaN功率器件:主要供应商及技术路线(4)
车规级GaN功率器件:产品案例(1)
车规级GaN功率器件:产品案例(2)
车规级GaN功率器件的价格分析(1)
车规级GaN功率器件的价格分析(2)
全球GaN功率器件的市场规模及其预测,2020-2030E
中国乘用车GaN功率器件核心应用场景
中国乘用车GaN功率器件的市场规模及其预测,2025-2030E
1.5 车规级功率半导体认证标准
功率半导体的车规级标准
功率半导体的车规级标准:AEC-Q
功率半导体的车规级标准:AEC-Q101(分立器件)
功率半导体的车规级标准:AQG 324(功率模组)(1)
功率半导体的车规级标准:AQG 324(功率模组)(2)
功率半导体的车规级标准:AQG 324(功率模组)(3)
功率半导体的车规级标准:IATF 16949(质量管理系统认证体系)
功率半导体的车规级标准:ISO 26262(功能安全)(1)
功率半导体的车规级标准:ISO 26262(功能安全)(2)
02 车规级功率半导体应用场景及市场研究
2.1 车规级功率半导体应用场景:主驱逆变器
主驱逆变器
主驱逆变器:SiC功率模块应用800V及其以上平台(1)
主驱逆变器:SiC功率模块应用800V及其以上平台(2)
主驱逆变器:主流逆变器的技术和成本差异
800V 电机控制器-核心供应商产品及技术
主驱逆变器的发展趋势:采用 GaN 器件(1)
主驱逆变器的发展趋势:采用 GaN 器件(2)
主驱逆变器的技术创新:现代汽车的2级电机系统设计(1)
主驱逆变器的技术创新:现代汽车的2级电机系统设计(2)
中国在售800-1000V高压架构乘用车,截止2025Q2(1)
中国在售800-1000V高压架构乘用车,截止2025Q2(2)
中国在售800-1000V高压架构乘用车,截止2025Q2(3)
中国在售800-1000V高压架构乘用车竞争格局分析
中国800-1000V高压架构乘用车销量及渗透率预测,2022-2030E
中国800-1000V乘用车主驱碳化硅芯片市场规模预测,假设基准
数据表:中国800-1000V乘用车主驱碳化硅芯片市场规模预测,2022-2030E
2.2 车规级功率半导体应用场景:车载充电器
车载充电器(OBC)
车载充电器:功率演进
车载充电器:功率架构
车载充电器:400V电压平台(1)
车载充电器:400V电压平台(2)
车载充电器:800V电压平台(1)
车载充电器的发展趋势一:双向 OBC
车载充电器的发展趋势二:导入GaN(1)
车载充电器的发展趋势二:导入GaN(2)
车载充电器的发展趋势二:导入GaN(3),氮化镓OBC
车载充电器的发展趋势二:导入GaN(4),双向氮化镓功率器件
车载充电器的发展趋势二:导入GaN(5),双向氮化镓功率器件
中国新能源乘用车 OBC 碳化硅芯片市场规模预测,假设基准
数据表:中国新能源乘用车 OBC 碳化硅芯片市场规模预测,2020-2030E
2.3 车规级功率半导体应用场景:高压直流变换器
高压直流变换器(DC/DC Converter)
高压直流变换器:安森美SiC产品应用设计
高压直流变换器:意法半导体SiC产品应用设计
高压直流变换器的发展趋势:导入 GaN 器件
中国新能源乘用车高压DC/DC碳化硅/氮化镓市场规模预测,2022-2030E
附数据表:中国新能源乘用车高压DC/DC碳化硅/氮化镓市场规模预测,2022-2030E
2.4 车规级功率半导体应用场景:电动压缩机
电动压缩机(1)
电动压缩机(2)
电动压缩机解决方案(1)
电动压缩机解决方案(2)
中国新能源乘用车电动压缩机碳化硅市场规模预测,2022-2030E
数据表:中国新能源乘用车电动压缩机碳化硅市场规模预测,2022-2030E
2.5 功率半导体应用场景:直流充电设备
直流充电设备不同电压系统拓扑结构与MOSFET选型对比
直流充电设备发展趋势:模块和功率器件演进
直流充电设备发展趋势:兆瓦级快充网络建设加快
直流充电设备发展趋势:国家能源局充电桩“三年倍增”行动方案
直流充电设备发展趋势:GB 46519-2025《电动汽车供电设备能效限定值及能效等级》
直流充电设备发展趋势:生产商加快碳化硅器件采购招标
直流充电设备发展趋势:碳化硅在直流充电设备的部分应用案例
中国直流充电设备碳化硅市场规模预测,假设基准
数据表:中国直流充电设备碳化硅市场规模预测,2022-2030E
2.6 中国乘用车车规SiC/GaN芯片市场规模汇总
中国乘用车车规SiC芯片市场规模汇总,2022-2030E
中国乘用车车规GaN芯片市场规模汇总,2025-2030E
03 车规功率器件发展趋势及供应链产能分布
3.1 车规级功率器件发展趋势一:嵌入式封装技术
嵌入式封装技术(1)
嵌入式封装技术(2)
嵌入式封装技术(3)
嵌入式SiC封装方案:广汽夸克电驱2.0
嵌入式SiC封装方案:上海诚帜SiC嵌入式功率模块
嵌入式SiC封装方案:芯华睿半导体嵌入式SiC封装
嵌入式SiC封装方案:采埃孚芯片内嵌式逆变器
嵌入式SiC封装方案:英飞凌嵌入式封装
嵌入式SiC封装方案:联合电子嵌入式逆变砖
嵌入式GaN封装方案:浩思动力自主功率氮化镓嵌埋封装模块设计(1)
嵌入式GaN封装方案:浩思动力自主功率氮化镓嵌埋封装模块设计(2)
..................
嵌入式GaN封装方案:浩思动力自主功率氮化镓嵌埋封装模块设计(7)
3.2 车规级功率器件发展趋势二:三电平SiC模块
三电平逆变技术(1)
..................
三电平逆变技术(6)
三电平SiC模块方案:三电平1200V SiC模块
三电平SiC模块方案:主机厂的三电平逆变技术
三电平SiC模块方案:联合汽车电子的T型三电平电机控制器
3.3 车规级功率器件发展趋势三:Si/SiC混合功率模块
Si/SiC混合功率模块(1)
..................
Si/SiC混合功率模块(5)
Si/SiC混合功率模块方案
Si/SiC混合功率模块方案:小鹏汽车的混合碳化硅同轴电驱技术
Si/SiC混合功率模块方案:吉利的碳化硅混合驱动集成技术
Si/SiC混合功率模块方案:星驱科技的多合一电驱动
Si/SiC混合功率模块方案:采埃孚的芯片内嵌式逆变器
Si/SiC混合功率模块方案:汇川联合动力的PD4H混碳电控
3.4 国内外车规级功率半导体厂商产能布局总结
国内外车规级功率半导体厂商产能布局总结(1)
国内外车规级功率半导体厂商产能布局总结(2)
..................
国内外车规级功率半导体厂商产能布局总结(8)
国内外车规级功率半导体厂商产能布局总结(9)
3.5 国内外第三代功率半导体材料厂商产能布局总结
国内外第三代功率半导体材料厂商产能布局总结(1)
..................
国内外第三代功率半导体材料厂商产能布局总结(5)
3.6 国内外第三代半导体功率器件相关厂商营收情况总结
国内外第三代半导体功率器件相关厂商营收、毛利和业务总结(1)
国内外第三代半导体功率器件相关厂商营收、毛利和业务总结(2)
国内外第三代半导体功率器件相关厂商营收、毛利和业务总结(3)
国内外第三代半导体功率器件相关厂商营收、毛利和业务总结(4)
04 主机厂功率半导体和模组的布局策略
4.1 主机厂功率半导体和模组的布局策略
主机厂功率半导体和模组的布局策略:投资/合资/自建功率半导体企业(1)
主机厂功率半导体和模组的布局策略:投资/合资/自建功率半导体企业(2)
4.2 比亚迪
比亚迪功率半导体布局
比亚迪功率半导体布局:产能分布
比亚迪功率半导体应用演进(1)
比亚迪功率半导体应用演进(2)
比亚迪 800V 车型销量占比(1)
比亚迪 800V 车型销量占比(2)
比亚迪1500V SiC:新一代耐压碳化硅功率芯片(1)
比亚迪1500V SiC:新一代耐压碳化硅功率芯片(2)
比亚迪1500V SiC:新一代耐压碳化硅功率芯片(3)
比亚迪1500V SiC应用:超级e平台
比亚迪1200V SiC应用:十二合一电驱动总成(1)
比亚迪1200V SiC应用:十二合一电驱动总成(2)
比亚迪1200V SiC应用:八合一电驱动总成(1)
比亚迪1200V SiC应用:八合一电驱动总成(2)
比亚迪1200V SiC应用:八合一电驱动总成(3)
比亚迪GaN应用:智能车载无人机系统灵鸢应用 GaN
4.3 理想汽车
理想汽车功率半导体布局
理想汽车功率半导体布局:碳化硅电驱技术体系及产能分布
理想汽车功率半导体应用演进
理想汽车 800V 车型销量占比
理想汽车800V SiC:自研高压SiC功率模块(1)
理想汽车800V SiC:自研高压SiC功率模块(2)
理想汽车800V SiC应用:汇想五合一电驱动总成
4.4 小鹏汽车
小鹏汽车功率半导体布局
小鹏汽车功率半导体应用演进
小鹏汽车 800V 车型销量占比
小鹏汽车800V SiC:混碳模块
小鹏汽车800V SiC应用:新一代混碳同轴电驱(1)
小鹏汽车800V SiC应用:新一代混碳同轴电驱(2)
小鹏汽车800V SiC应用:新一代混碳同轴电驱(3)
小鹏汽车800V SiC:塑封SiC模块(1)
小鹏汽车800V SiC:塑封SiC模块(2)
小鹏汽车800V SiC应用:扶摇2.0电驱
小鹏汽车800V SiC应用:800V电驱系统(1)
小鹏汽车800V SiC应用:800V电驱系统(2)
4.5 蔚来汽车
蔚来汽车功率半导体布局
蔚来汽车功率半导体应用演进
蔚来汽车 800V 车型销量占比
蔚来汽车1200V SiC应用:最新一代电驱系统
蔚来汽车1200V SiC应用:900V高性能电驱系统(1)
蔚来汽车1200V SiC应用:900V高性能电驱系统(2)
蔚来汽车1200V SiC应用:900V高性能电驱系统(3)
蔚来汽车800V SiC应用:第二代电驱系统(1)
蔚来汽车800V SiC应用:第二代电驱系统(2)
蔚来汽车800V SiC应用:第二代电驱系统(3)
4.6 零跑汽车
零跑汽车功率半导体布局
零跑汽车功率半导体布局:产能分布
零跑汽车功率半导体应用演进
零跑汽车 800V 车型销量占比
零跑汽车800V SiC应用:四合一增程驱动系统
零跑汽车800V SiC应用:电驱系统(1)
零跑汽车800V SiC应用:电驱系统(2)
4.7 小米汽车
小米汽车功率半导体布局
小米汽车功率半导体布局:供应链(1)
小米汽车功率半导体布局:供应链(2)
小米汽车功率半导体应用演进
小米汽车 800V 车型销量占比
小米汽车800V SiC应用:V6s Plus超级电机
小米汽车800V SiC应用:800V碳化硅电驱系统
小米汽车400V/800V SiC应用:V6/V6s电机
4.8 吉利汽车
吉利汽车功率半导体布局
吉利汽车功率半导体应用演进(1)
吉利汽车功率半导体应用演进(2)
吉利汽车功率半导体应用演进(3)
吉利集团 800V 车型销量占比(1)
吉利集团 800V 车型销量占比(2)
吉利汽车800V SiC:混碳模块
吉利汽车800V SiC应用:雷霆11合1混动系统
吉利汽车800V SiC应用:800V高压平台
吉利汽车GaN应用:Gemini小型增程器
吉利汽车GaN应用:氮化镓增程发电系统
4.9 上汽智己
上汽智己功率半导体布局
上汽智己功率半导体应用演进
智己汽车 800V 车型销量占比
智己汽车800V SiC应用:准900V双碳化硅平台
智己汽车800V SiC应用:新一代飓风电机
智己汽车800V SiC应用:飓风电机
4.10 广汽集团
广汽集团功率半导体布局
广汽集团功率半导体应用演进
广汽集团 800V 车型销量占比
广汽集团800V SiC应用:夸克电驱2.0(1)
广汽集团800V SiC应用:夸克电驱2.0(2)
广汽集团800V SiC应用:夸克电驱1.0(1)
广汽集团800V SiC应用:夸克电驱1.0(2)
广汽集团800V SiC应用:夸克电驱1.0(3)
广汽集团GaN布局:氮化镓功率芯片项目
4.11 一汽红旗
一汽红旗汽车功率半导体布局(1)
一汽红旗汽车功率半导体布局(2)
一汽红旗功率半导体应用演进
一汽红旗800V SiC应用:天工纯电平台
一汽红旗1700V SiC:1700V超高压碳化硅功率器件
一汽红旗800V SiC:750V SiC功率芯片
一汽红旗800V SiC应用:M220-220电驱动系统
4.12 奇瑞汽车
奇瑞汽车功率半导体布局
奇瑞汽车功率半导体应用演进(1)
奇瑞汽车功率半导体应用演进(2)
奇瑞汽车 800V 车型销量占比
奇瑞汽车800V SiC应用:水下推进器
奇瑞汽车800V SiC应用:鲲鹏混动系统(1)
奇瑞汽车800V SiC应用:鲲鹏混动系统(2)
奇瑞汽车1200V SiC应用:第四代混动专用变速箱
奇瑞汽车800V SiC应用:800V电驱平台
4.13 长城汽车
长城汽车功率半导体布局
长城汽车功率半导体应用演进(1)
长城汽车功率半导体应用演进(2)
长城汽车 800V 车型销量占比
长城汽车1200V SiC应用:Hi4电混系统(1)
长城汽车1200V SiC应用:Hi4电混系统(2)
长城汽车1200V SiC应用:Hi4电混系统(3),Hi4-Z驱动平台
长城汽车800V SiC应用:X合一电驱系统
4.14 长安汽车
长安汽车功率半导体布局
长安汽车功率半导体应用演进
长安汽车800V SiC应用:超级增程2.0
长安汽车800V SiC应用:七合一电驱总成
长安汽车GaN应用:氮化镓OBC
4.15 东风汽车
东风汽车功率半导体布局
东风汽车功率半导体应用演进
东风汽车功率半导体应用演进:电驱动产品
东风汽车高压SiC应用:马赫动力(1)
东风汽车高压SiC应用:马赫动力(2),iD4系列
东风汽车高压SiC应用:马赫动力(3),iD5系列
东风汽车高压SiC应用:马赫动力(4),越野动力总成
东风汽车1700V SiC:1700V SiC MOSFET
东风汽车800V SiC:SiC模块
东风汽车800V SiC应用:十合一超高速电驱系统
东风汽车800V SiC应用:岚海智混技术
4.16 鸿蒙智行
鸿蒙智行功率半导体布局
鸿蒙智行功率半导体应用演进
鸿蒙智行 800V 车型销量占比
鸿蒙智行800V SiC应用:华为Drive ONE黄金增程动力平台
鸿蒙智行800V SiC应用:第二代华为 DriveONE 800V高压动力平台
鸿蒙智行800V SiC应用:华为 DriveONE 超融合黄金动力平台
鸿蒙智行800V SiC应用:第一代华为 DriveONE 800V高压动力平台
4.17 北汽集团
北汽集团功率半导体布局
北汽集团功率半导体应用演进
北汽集团(含极狐) 800V 车型销量占比
北汽集团功率半导体应用演进:动力总成产品
北汽集团功率半导体应用演进:动力总成规划(1)
北汽集团功率半导体应用演进:动力总成规划(2)
北汽集团800V SiC应用:极锋动力
4.18 特斯拉
特斯拉功率半导体布局
特斯拉功率半导体应用演进
特斯拉SiC应用:储能系统
特斯拉SiC应用:逆变器
4.19 大众集团
大众集团功率半导体布局
大众集团功率半导体应用演进
大众集团SiC应用:车载储能系统
大众集团SiC应用:800V高压平台
4.20 宝马汽车
宝马汽车功率半导体布局
宝马汽车功率半导体应用演进
宝马汽车SiC应用:第六代 BMW eDrive 技术
宝马汽车SiC应用:第六代 BMW eDrive 技术,电驱系统(1)
宝马汽车SiC应用:第六代 BMW eDrive 技术,电驱系统(2)
宝马汽车SiC应用:第六代 BMW eDrive 技术,电驱系统(3)
宝马汽车SiC应用:BMW eDrive电驱系统换装碳化硅逆变器
4.21 戴姆勒奔驰
戴姆勒奔驰功率半导体布局
戴姆勒奔驰功率半导体应用演进
戴姆勒奔驰功率半导体布局:车型搭载策略
戴姆勒奔驰SiC应用:逆变器
戴姆勒奔驰SiC应用:麦格纳 eDS Duo 电驱动系统
4.22 本田汽车
本田汽车功率半导体布局
本田汽车功率半导体应用演进
本田汽车SiC:SiC模块
4.23 丰田汽车
丰田汽车功率半导体布局
丰田汽车功率半导体应用演进
丰田汽车功率半导体核心技术:碳化硅
丰田汽车功率半导体核心技术:氮化镓
丰田汽车SiC应用:牵引逆变器
丰田汽车SiC应用:第六代混动系统
丰田汽车GaN应用:氮化镓逆变器
05 国外车规级功率半导体厂商研究
5.1 英飞凌
英飞凌功率半导体布局
英飞凌功率半导体布局:“在中国,为中国”战略
英飞凌功率半导体晶圆代工工艺和产品应用
英飞凌功率半导体代工工艺:晶圆技术
英飞凌功率半导体产能分布
英飞凌功率半导体产品线及技术演进
英飞凌SiC核心技术:沟槽型SiC MOSFET(1)
英飞凌SiC核心技术:沟槽型SiC MOSFET(2)
英飞凌SiC核心技术:下一代,SiC沟槽型超结(TSJ)技术
英飞凌GaN核心技术:CoolGaN™技术
英飞凌SiC MOSFET封装技术
英飞凌SiC MOSFET封装技术:嵌入式封装技术(1)
英飞凌SiC MOSFET封装技术:嵌入式封装技术(2)
英飞凌SiC产品:CoolSiC™ MOSFET
英飞凌SiC产品:CoolSiC™ MOSFET,分立器件
英飞凌SiC产品:CoolSiC™ MOSFET,模组
英飞凌SiC产品:Si/SiC混合模块
英飞凌G2 SiC MOSFET:650V CoolSiC MOSFET
英飞凌G2 SiC MOSFET:1400V CoolSiC MOSFET(1)
英飞凌G2 SiC MOSFET:1400V CoolSiC MOSFET(2)
英飞凌G2 Si/SiC混合模块:HybridPACK Drive G2 CoolSiC模块
英飞凌GaN产品:CoolGaN
英飞凌G1 CoolGaN:CoolGaN™汽车晶体管100 V G1系列
英飞凌功率半导体合作动态:与罗姆达成SiC封装技术合作(1)
英飞凌功率半导体合作动态:与罗姆达成SiC封装技术合作(2)
5.2 安森美(ON Semiconductor)
安森美功率半导体布局
安森美功率半导体产能分布
安森美功率半导体技术发展路线图
安森美功率半导体产品线及技术演进
安森美SiC核心技术:平面型SiC MOSFET(1)
安森美SiC核心技术:平面型SiC MOSFET(2)
安森美SiC核心技术:下一代,沟槽型SiC MOSFET
安森美GaN核心技术:vGaN(1)
安森美GaN核心技术:vGaN(2)
安森美SiC产品:EliteSiC MOSFET,SiC二极管
安森美SiC产品:EliteSiC MOSFET,SiC MOSFET
安森美SiC产品:EliteSiC MOSFET,SiC模块/混合模块
安森美M3 SiC MOSFET:EliteSiC MOSFET裸芯片
安森美M3 SiC MOSFET:M3S 650V SiC MOSFET 器件
安森美SiC产品应用:主驱逆变器
5.3 意法半导体
意法半导体发展历程
意法半导体发展历程:“中国化”战略
意法半导体功率半导体晶圆代工工艺和产品应用
意法半导体功率半导体产能分布
意法半导体功率半导体产品线及技术演进
意法半导体SiC产品:STPOWER系列
意法半导体SiC产品:STPOWER系列,SiC MOSFET
意法半导体SiC产品:STPOWER系列,SiC二极管
意法半导体GaN产品:STPOWER系列
5.4 三菱电机
三菱电机功率半导体布局
三菱电机功率半导体产能分布
三菱电机功率半导体产品线及技术演进
三菱电机SiC核心技术:沟槽型SiC MOSFET
三菱电机车规级SiC产品:J3系列 SiC-MOSFET模块(1)
三菱电机车规级SiC产品:J3系列 SiC-MOSFET模块(2)
三菱电机车规级SiC产品:J3系列 SiC-MOSFET模块(3)
三菱电机车规级SiC产品:J3系列 SiC-MOSFET模块(4)
三菱电机车规级SiC产品:SiC-MOSFET裸片
三菱电机车规级SiC应用:主驱逆变器/增程器
5.5 富士电机
富士电机功率半导体布局
富士电机功率半导体产能分布
富士电机功率半导体产品线及技术演进
富士电机SiC核心技术:全SiC沟槽MOSFET
富士电机SiC产品:SiC肖特基势垒二极管
富士电机SiC产品:SiC混合模块(1)
富士电机SiC产品:SiC混合模块(2)
富士电机G2 SiC模块:1200V All-SiC模块
富士电机SiC产品应用:双向OBC
5.6 威世科技(Vishay Intertechnology, Inc.)
威世科技功率半导体布局及产能分布
威世科技功率半导体产品线及技术演进
威世科技车规级SiC模组
威世科技车规级SiC模组:EF系列功率MOSFET
威世科技车规级SiC模组:1200V SiC单相全桥模块
威世科技GaN产品:D³GaN
威世科技G2 GaN产品应用:400V 主驱逆变器
5.7 东芝
东芝功率半导体布局
东芝功率半导体产能分布
功率半导体产品线及技术演进
东芝SiC核心技术:SiC器件结构创新(1)
东芝SiC核心技术:SiC器件结构创新(2)
东芝SiC产品:SiC模块/芯片
东芝G3 SiC产品:SiC MOSFET(1)
东芝G3 SiC产品:SiC MOSFET(2)
5.8 电装(DENSO)
电装功率半导体布局(1)
电装功率半导体布局(2)
电装功率半导体产能分布
电装SiC核心技术:U形沟槽SiC MOSFET
电装SiC核心技术:SiC外延生长技术
电装功率半导体产品线及技术演进
06 国内车规级功率半导体厂商研究
6.1 士兰微电子(Silan Microelectronics)
士兰微功率半导体布局
士兰微各子公司产线情况
士兰微功率半导体晶圆代工工艺和产品应用
士兰微功率半导体产能分布
士兰微功率半导体产品线及技术演进
士兰微SiC产品技术发展路线图
士兰微G2 SiC MOSFET:1200V碳化硅MOS
士兰微G2 SiC MOSFET:750V碳化硅MOS
士兰微车规级SiC产品:B3G SiC模块
士兰微SiC产品:适用于车载充电机OBC的分立器件
士兰微SiC产品应用:车载充电机OBC
士兰微SiC产品应用:DC-DC一级电源解决方案
6.2 中车时代电气
中车时代功率半导体布局
中车时代功率半导体产能分布
中车时代功率半导体产品线及技术演进
中车时代G3 SiC产品:TO SiC 器件
中车时代G3 SiC产品:全 SiC 功率模块
6.3 斯达半导体
斯达半导体功率半导体布局
斯达半导体功率半导体产能分布
斯达半导体功率半导体产品线及技术演进
斯达半导体G2 SiC产品:1200V SiC MOSFET
斯达半导体G2 SiC产品:SiC模块
6.4 芯联集成
芯联集成功率半导体布局
芯联集成2025年H1营收情况
芯联集成功率半导体晶圆代工工艺和产品应用
芯联集成功率半导体晶圆代工工艺技术平台
芯联集成功率半导体产能分布
芯联集成功率半导体产品线及技术演进
芯联集成SiC MOS芯片技术布局
芯联集成G1.7代系SiC产品:1500V SiC MOS 灌胶模组
6.5 芯聚能半导体
芯聚能功率半导体布局
芯聚能功率半导体产能分布
芯聚能功率半导体核心技术
芯聚能功率半导体产品线及技术演进
芯聚能车规级SiC产品:APD系列 SiC 模块(1)
芯聚能车规级SiC产品:APD系列 SiC 模块(2)
芯聚能车规级SiC产品:APD系列下一代 SiC 模块
6.6 华润微电子(China Resources Microelectronics)
华润微电子功率半导体布局
华润微电子功率半导体晶圆代工工艺和产品应用
华润微电子制造与服务:晶圆代工核心技术
华润微电子制造与服务:晶圆代工 IP Alliance、EDA
华润微电子功率半导体产能分布
华润微电子功率半导体产品线及技术演进
华润微电子GaN产品
华润微电子车规级SiC产品
华润微电子车规级SiC产品:SiC MOSFET
华润微电子G2 SiC产品:SiC主驱模块
华润微电子G4 SiC产品:SiC主驱模块
6.7 闻泰科技
闻泰科技功率半导体布局及产能分布
闻泰科技功率半导体产品线及技术演进
闻泰科技GaN产品
闻泰科技车规级GaN产品应用:Gemini小型增程器
闻泰科技车规级SiC产品:1200V SiC MOSFET
6.8 基本半导体(BASIC Semiconductor)
基本半导体功率半导体布局
基本半导体功率半导体产能分布
基本半导体车规级SiC产品:Pcore(TM)6系列模块(1)
基本半导体车规级SiC产品:Pcore(TM)6系列模块(2)
基本半导体车规级SiC产品:Pcore(TM)2系列模块
基本半导体车规级SiC产品:Pcore(TM)1系列模块
6.9 新洁能(NCE Power)
新洁能功率半导体布局
新洁能功率半导体产品线及技术演进
新洁能SiC产品:Super Trench平台系列
新洁能G3 SiC产品(1)
新洁能G3 SiC产品(2)
新洁能G2 SiC产品
新洁能车规级SiC产品:NCE汽车电子系列
新洁能车规级SiC产品应用:48V 汽车系统
6.10 方正微电子
方正微功率半导体布局
方正微功率半导体产能分布
方正微功率半导体产品线及技术演进
方正微车规级SiC产品
方正微车规级SiC产品应用:主驱控制器
方正微车规级SiC产品应用:车载OBC
方正微车规级SiC产品应用:直流充电机
方正微车规级SiC产品应用:DCDC转换器
方正微车规级SiC产品应用:空气悬架
方正微车规级SiC产品应用:电机压缩机驱动
方正微车规级SiC产品应用:PTC加热
07 国内外第三代功率半导体材料厂商研究
7.1 Wolfspeed(原Cree)
Wolfspeed业务情况和发展历程
Wolfspeed2025财年第二季度营收情况
Wolfspeed产能布局
Wolfspeed SiC核心技术演进:平面栅 VS 沟槽栅SiC MOSFET
Wolfspeed车规级SiC产品
Wolfspeed SiC产品:用于 EV 动力总成
Wolfspeed SiC产品:用于 EV 动力总成,分立式SiC MOSFET(1)
Wolfspeed SiC产品:用于 EV 动力总成,分立式SiC MOSFET(2)
Wolfspeed SiC产品:用于 EV 动力总成,分立式SiC MOSFET(3)
Wolfspeed SiC产品应用:XM系列三相逆变器
Wolfspeed SiC产品:用于车载充电器
Wolfspeed SiC产品:用于车载充电器,E 系列(1)
Wolfspeed SiC产品:用于车载充电器,E 系列(2)
Wolfspeed SiC产品:用于车载充电器,E 系列(3)
Wolfspeed SiC产品:用于车载充电器,E 系列解决方案
Wolfspeed SiC产品:用于板载DC/DC转换器
Wolfspeed E 系列车规级SiC MOSFET新品:E3M0900170D
Wolfspeed E 系列车规级SiC MOSFET新品:E3M0900170J
7.2 Coherent(高意)
Coherent业务情况和产能布局
Coherent2024财年-25年财年Q1营收情况
Coherent核心技术:可回收 LiB 废弃物的 SHARP™ 技术
Coherent SiC产品在汽车领域的应用
Coherent车规级SiC产品
Coherent SiC衬底材料:导电型和半绝缘型衬底
Coherent SiC衬底材料:SiC 外延片
7.3 纳微半导体(Navitas Semiconductor)
纳微半导体业务情况
纳微半导体2024年营收情况
纳微半导体产能布局
纳微半导体核心技术:GaN和SiC技术
纳微半导体核心技术:GaNFast™技术
纳微半导体GaN解决方案的演进
纳微半导体GaN产品在汽车领域的应用
纳微半导体车规级GaN/SiC产品
纳微半导体车规级SiC产品:TOLL封装版第三代快速碳化硅MOSFETs(1)
纳微半导体车规级SiC产品:TOLL封装版第三代快速碳化硅MOSFETs(2)
纳微半导体车规级SiC产品应用:22kW OBC系统解决方案
纳微半导体GaN产品:650V双向GaNFast芯片
纳微半导体GaN产品:GaNSafe™ IC系列
7.4 罗姆半导体
罗姆半导体业务情况
罗姆半导体2024财年营收情况
罗姆半导体功率半导体晶圆代工工艺和产品应用
罗姆半导体产能布局
罗姆半导体功率半导体核心技术:双沟槽SiC MOSFET(1)
罗姆半导体功率半导体核心技术:双沟槽SiC MOSFET(2)
罗姆半导体生产能力
罗姆半导体产品布局:产品线(1)
罗姆半导体产品布局:产品线(2)
罗姆半导体核心技术:EcoGaN™
罗姆半导体核心技术:EcoSiC™(1)
罗姆半导体核心技术:EcoSiC™(2)
罗姆半导体核心技术:EcoSiC™(3)
罗姆半导体核心技术:EcoSiC™(4)
罗姆半导体车规级GaN/SiC产品
罗姆半导体车规级GaN产品:650V GaN HEMT
罗姆半导体车规级GaN产品:1200V GaN HEMT
罗姆半导体车规级SiC产品:SiC模组
罗姆半导体车规级SiC产品:SiC肖特基势垒二极管
罗姆半导体车规级SiC产品:TRCDRIVE pack™系列
7.5 VisIC
VisIC业务情况
VisIC产能布局
VisIC车规级GaN产品:第2代D(3)氮化镓650V功率器件
VisIC车规级GaN产品:6.6kW D³GaN™ OBC
VisIC车规级GaN产品:V08TC65S1A2 功率开关
VisIC车规级GaN产品:面向400V系统的GaN双逆变器
7.6 CGD
CGD业务情况
CGD核心技术:ICeGaN技术(1)
CGD核心技术:ICeGaN技术(2)
CGD车规级GaN产品:P2系列GaN功率器件
CGD车规级GaN产品:H2系列GaN功率器件(1)
CGD车规级GaN产品:H2系列GaN功率器件(2)
7.7 宜普公司(EPC)
宜普公司业务情况
宜普公司核心技术:增强型氮化镓(eGaN®)晶体管及集成电路(1)
宜普公司核心技术:增强型氮化镓(eGaN®)晶体管及集成电路(2)
宜普公司封装技术:芯片级封装(CSP)(1)
宜普公司封装技术:芯片级封装(CSP)(2)
宜普公司车规级GaN产品
宜普公司车规级GaN产品:用于车载DCDC转换器
7.8 英诺赛科(INNOSCIENCE)
英诺赛科功率半导体布局
英诺赛科2024年营收情况
英诺赛科产能布局
英诺赛科核心技术:InnoGaN™器件
英诺赛科核心技术:8英寸GaN-on-Si器件技术
英诺赛科核心技术:8英寸GaN-on-Si工艺技术(1)
英诺赛科核心技术:8英寸GaN-on-Si工艺技术(2)
英诺赛科核心技术:8英寸GaN-on-Si工艺技术(3)
英诺赛科全链路GaN方案
英诺赛科车规级GaN产品
英诺赛科车规级GaN产品应用场景
英诺赛科100V车规级GaN器件:INN100W135A-Q
英诺赛科100V车规级GaN器件:INN100W800A-Q
英诺赛科40V车规级GaN产品:INN040FQ045A-Q
英诺赛科80V增强型GaN功率晶体管:INN80LA01
英诺赛科100V半桥SolidGaN产品:ISG3202LA
英诺赛科100V GaN 功率器件:INN100EA035A
英诺赛科车规级GaN产品应用:500W 电机驱动方案(1)
英诺赛科车规级GaN产品应用:500W 电机驱动方案(2),拓扑结构
英诺赛科车规级GaN产品应用:500W 电机驱动方案(3),器件性能
英诺赛科车规级GaN产品:100-150V Topside cooling 封装En-FCQFN GaN
英诺赛科车规级GaN产品:TO247-4L E-Mode 合封氮化镓
英诺赛科车规级GaN产品:100V双向硅基氮化镓晶体管
英诺赛科车规级GaN产品应用:低压电机驱动GaN方案
7.9 天岳先进
天岳先进业务情况
天岳先进2024年营收情况
天岳先进核心技术:碳化硅单晶衬底生产流程
天岳先进核心竞争力
天岳先进SiC产品应用:电力电子领域
天岳先进车规级SiC产品
7.10 三安光电(Sanan Optoelectronics)
三安光电业务情况
三安光电全资子公司:三安半导体
三安光电产能布局
三安半导体核心技术:SiC产衬底及外延
三安半导体车规级SiC产品应用
三安半导体车规级SiC产品
三安半导体车规级SiC产品:SiC MOSFET 1200V
三安半导体车规级SiC产品:SiC MOSFET 650V/1200V、 SiC SBD 1200V
三安半导体车规级SiC产品:SiC MOSFET 650V/1200V、 SiC SBD 1200V
7.11 天科合达(TANKEBLUE)
天科合达业务情况
天科合达产能布局
天科合达核心技术:车规级SiC衬底(Z级)
天科合达核心技术:车规级SiC外延片
天科合达车规级SiC产品
7.12 天域半导体(TYSIC)
天域半导体业务情况
天域半导体产能布局
天域半导体核心技术:SiC外延晶片
7.13 氮矽科技
氮矽科技业务情况
氮矽科技GaN产品:氮化镓晶体管
氮矽科技GaN产品:氮化镓驱动器
氮矽科技GaN产品:氮化镓功率集成器
氮矽科技GaN产品:氮化镓集成控制器芯片
氮矽科技车规级GaN产品:TOLL封装的增强型硅基氮化镓(GaN)晶体管